读数头接线图:
| 红 | 黑 | 黄 | 绿 | 棕 | 蓝 | 白 | 灰 | F.G |
| VDC(5V) | 0V(GND) | A | B | I | /A | /B | /I | 屏蔽 |
注:通电前务必再次确认接线是否正确,未使用的导线需单独包扎以免信
号被干扰,导线间短路会损坏读数头。
可选分辨率:1um,2.5um,5um,10um,25um,100um…………
特性:
| 电气性能 | 详情 |
| 输入电压 | 5V±5% |
| 信号电流 | 20mA以下 |
| 系统精度 | Max. ±(0.02+0.01*L)mm,L单位为米 |
| 重复精度 | Min. ±1个脉冲 |
| 输出速度 | 1um:max.4m/s |
| 工作频率 | 扫描频率>1K, 响应频率>2M |
| 响应时间 | 1us以下(线缆长度1m) |
| 读头间隙 | Max.2mm, 最佳0.7mm-1.5mm |
| 输出相位 | A,B相间的相位差:T/4+T/8 (T为信号周期) |
| 环境性能 | 详情 |
| 绝缘阻抗 | 20M以上 |
| 耐电压 | 500VAC(50/60HZ,时间1分钟,端子和外壳之间) |
| 环境温度 | 使用:-10~70C (无结露),保存:-25~80C (无结冰) |
| 防护等级 | IP67(IEC规格) |
| 耐振动 | 50m/s2,10-200HZ |
| 材质 | 铝合金 |
| 重量 | 约0.15KG |
读数头应用连接:
1.读数头输出导线默认长度2m,特珠长度可定制。
2.读数头输出RS422差分信号,为了提高抗干扰能力减少信号反射影响,建议接收端使用120欧姆的匹配电阻。

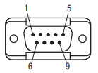
如需连接DB9、DB15、7芯航空插头母头等特殊接口需要要定制。

3.警示信号灯:
通电绿灯闪烁:读数头没感应到磁条,或磁条受损磁路变形。正常工作状态下绿灯常亮。
4.屏蔽线接地需求:
良好的接地能保证读读头的正常运行,机床接地阻抗必须符合规范标准,接地电阻<4欧姆。
磁读头导线屏蔽层和仪表(PLC)地线必须和机床大地一点接地,保护软套管屏蔽层两端必须和机床两端大地分别连接(如图所示),读数头输出导线小于2米时,建议外加金属软套管:输出导线大于2米时,必须外加金属软套管,在有强干扰场合,不管输出导线多长,都必须外加金属软套管。
读数头和磁条配合安装示意图:
安装前先确认读数头和磁条配对型号是否符合要求
| 增量型读数头型号 | 配对磁尺规格 |
| IKI2000 | MBI200 磁距:2+2mm |
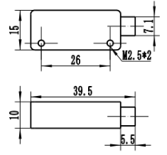
机械尺寸:



磁条安装注意事项:
磁条由3部分组成:
磁条长度从 0.5 m到 100 m。
A 相当柔软的有磁性的尺带。
B 铁性的粘合橡胶尺带的柔性基带 . 用于支撑磁带、提供磁场通路,和机床粘合由双面胶带制成。
C 此层透磁带用于保护橡胶磁带,可弯曲易于运输,供货时是单独分开的,使用时用双层胶带和橡胶磁带粘合。
磁条必须粘合到清洁、干燥、平整的表面。典型的清洁剂是 50% 酒精和 50% 的水混合液或庚烷 ( 请注意制造商关于接触此类溶剂的提示 ). 在铜、黄铜等表面应确保表面清洁没有任何氧化层粘合表面,尺带粘合到表面后直接产生粘合力,适当加压效果更好。
磁条最好的粘接温度是从 +21° 到 38°C. 如果温度在 11°C 或更低 , 粘接剂会变得太硬粘合力会不够 , 在正确应用情况下,粘合力在零下温度时也

能保证, 粘合 72 小时后结合力会到最大 ( 常温)。







